Sign In | Join Free | My tjskl.org.cn
China YUEQING  WINSTON  ELECTRIC  CO.,LTD. logo
YUEQING WINSTON ELECTRIC CO.,LTD.
Yueqing Winston Electric Co., Ltd Proximity sensor,switching power supply,voltage stabilizer,motor soft starter,frequency inverter,float switch,AC magnetic contactor, thermal overload relay, terminal
Site Member

10 Years

Home > Industrial Electric Heaters >

REX011 Industrial Electric Space Heaters Adjusting Explosionproof Protection Class IP65 / I

YUEQING WINSTON ELECTRIC CO.,LTD.
Contact Now

REX011 Industrial Electric Space Heaters Adjusting Explosionproof Protection Class IP65 / I

Brand Name : Winston/OEM

Model Number : REX011

Certification : CE,ROSH

Place of Origin : China,Zhejiang

Temperature range : 15℃ or 25℃

Theory : Temperature Controller

Accuracy : 100%

Weight : approx. 0.2kg

Fitting position : variable

Protection type : IP65 / I (earthed)

MOQ : 1PCS

Packaging Details : Export standard carton box

Delivery Time : 3-15days after get payment.

Payment Terms : T/T,L/C,Paypal,Online Payment,RMB/USD

Supply Ability : 10000PCS/Month

Contact Now

REX011 Industrial Electric Space Heaters Adjusting Explosionproof Protection Class

Product Description

Compact design
Fixed temperature setpoints
High switching capacity
Din rail mountable

The design of the REx 011 Hazardous area Thermostat ensures high accuracy,small switching difference(hysteresis) and a long service life.

Because of the high switching capacity of the thermostat,heaters can usually be directly connected and switched without the need for additional relays.

Technic data

Explosion proof according to EN

LCIE (Laboratoire Central des Industries Electriques)

Conformity certificate

01 ATEX 6074/02, LCIE N°06 ATEX 08011, IECEx LCI 07.0021

Sensor element

thermostatic bimetal

Contact type (1-pole)

opens with rising temperature

Service life

> 100 000 cycles

Max. switching capacity

250VAC, 4 (1) A

Connection

Si HF - JZ 3 x 0.75mm², length 1m

Mounting

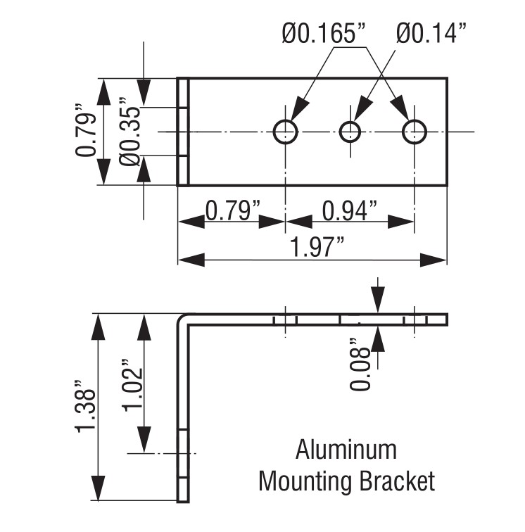
mounting bracket with nut M8 (see illustration)

Casing

aluminium, black anodised

Dimensions

length 110mm

Weight

approx. 0.2kg

Fitting position

variable

Operating/Storage temperature

-40 to +40 °C (-40 to +104 °F) /-45 to +70 °C (-49 to +158 °F)

Protection type / Protection class

IP65 / I (earthed)

Art. No.

Ex protection type

Switch-off temperature

Switch temperature difference

01180.0-00

d IIC - Ex tD A21 IP6X T85°C

+15°C (± 4K tolerance)

4K (± 1K tolerance)

01181.0-00

d IIC - Ex tD A21 IP6X T85°C

+25°C (± 4K tolerance)

4K (± 1K tolerance)


Dimension

REX011 Industrial Electric Space Heaters Adjusting Explosionproof Protection Class IP65 / I
REX011 Industrial Electric Space Heaters Adjusting Explosionproof Protection Class IP65 / I

Product picture

REX011 Industrial Electric Space Heaters Adjusting Explosionproof Protection Class IP65 / I

Our Services
  • Customized Samples are acceptable
  • Accept different payment methods, such as T/T, L/C, Western Union, Escrow to meet your different financial requirements
  • Welcome and accept 100% customers factory inspection before the production
  • Supply skills training including product basic knowledge, installation, operation, maintenance skills training for the local people
  • We provide 7 days 24 hours service!

PS: If you can't find the exact type of your product.Please don't rush to go away.Contact me and your questions will be replied ASAP.Thank you for your time.


























Product Tags:

electric heaters industrial

      

commercial electric heaters

      
Quality REX011 Industrial Electric Space Heaters Adjusting Explosionproof Protection Class IP65 / I for sale

REX011 Industrial Electric Space Heaters Adjusting Explosionproof Protection Class IP65 / I Images

Inquiry Cart 0
Send your message to this supplier
 
*From:
*To: YUEQING WINSTON ELECTRIC CO.,LTD.
*Subject:
*Message:
Characters Remaining: (0/3000)